百科知識
開爾文四線檢測 Kelvin (4-wire) resistance measurement
開爾文四線檢測(Kelvin Four-terminal sensing)也被稱之為四端子檢測(4T檢測, 4T sensing)、四線檢測或4點探針法,它是一種電阻抗測量技術,使用單獨的對載電流和電壓檢測電極,相比傳統的兩個終端( 2T)傳感能夠進行更精確的測量。開爾文四線檢測被用于一些歐姆表和阻抗分析儀,并在精密應變計和電阻溫度計的接線配置。也可用于測量薄膜的薄層電阻。四線檢測的關鍵優點是分離的電流和電壓的電極,消除了布線和接觸電阻的阻抗。
四線檢測感應也被稱為開爾文(Kelvin)檢測,威廉·湯姆森·開爾文勛爵( William Thomson, Lord Kelvin)在1861年發明的開爾文電橋測量低電阻。每兩線連接,可以稱得上是Kelvin連接。

原理
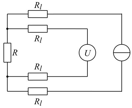
假設我們希望一些組件位于一個顯著的距離從我們的歐姆表測量電阻。這種情況下會產生問題,因為歐姆表測量所有的電路回路中的電阻,它包括導線的電阻(Rwire)連接的歐姆表被測量組件(Rsubject):

通常情況下,導線的電阻是非常小的(僅幾歐姆的導線上的壓力表(大?。?,主要取決于每數百英尺),但如果連接線很長,和/或待測組分有一個非常反正低電阻,引入線電阻測量誤差將是巨大的。
在這樣的情況下的電阻測量主體的一個巧妙的方法,涉及的電流表和電壓表的使用。我們知道,從歐姆定律,電阻等于電壓除以電流(R = E / I)。因此,我們應該能夠確定電阻的主體成分,如果我們測量的電流通過,并且兩端的電壓下降

起初,我們似乎已經失去了任何電阻測量這種方式的優點,因為現在電壓表測量電壓通過長著一雙引入雜散電阻(電阻)線,再次進入測量電路。然而,經仔細檢查可以看出,沒有什么損失,因為電流幾乎是微乎其微的。因此,那些長導線連接兩端的電壓表的(Rsubject)電阻將下降較小的電壓,這是非常幾乎相同的,就好像它是受電阻直接跨接在電壓表指示:

將無法測得的電壓表主要載流導線之間的任何電壓下降,這樣做沒有考慮到在所有的阻力計算。可能會進一步提高測量精度,如果電壓表的電流保持在最低限度,或者通過使用一個高品質(由低滿量程電流)的動作和/或空電位(均衡)系統。
這種測量方法,避免了導線的電阻所引起的誤差,被稱之為開爾文四線檢測( Kelvin Four-terminal sensing)電阻方法。特殊的連接稱為開爾文夾子(下圖)

一般來說,“鱷魚”式夾子,通常在鉸鏈點連接,半“下巴”電是彼此共用的。開爾文夾子,半部分鉗口彼此絕緣,只有被測定的導線與夾子的尖端處接觸。因此, 目前通過“C(”當前)的半“下巴”不通過“P”(電壓)的半“下巴”,而不會產生任何沿其長度的錯誤誘導壓降。

